NivagSwerdna
Active member
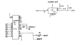
I'm a bit fed up with reverse engineering Konami customs that I probably will never use or sell so time for a challenge to take my mind off it...
This is the original board (original to me) from my first ever cocktail purchase (Hunchback in a Cocktail)... I turned it on a few months back and it had video issues so got forgotten about... it seems I have some spare time... so....
Ladies and Gentlemen... look what we have here...

First job is to see if the pinout is compatible with my existing Konami adapter....
This is the original board (original to me) from my first ever cocktail purchase (Hunchback in a Cocktail)... I turned it on a few months back and it had video issues so got forgotten about... it seems I have some spare time... so....
Ladies and Gentlemen... look what we have here...

First job is to see if the pinout is compatible with my existing Konami adapter....














